您好,欢迎访问深圳市锦通顺精密机械有限公司

油泵 显动力之美

18923717049



首页 > 产品中心 > HV中小排量 > 2HV马达双联油泵 > 2HV-VO双联马达油泵
  • 2HV-VO双联马达油泵
  • 2HV-VO双联马达油泵
  • 2HV双联泵
  • 2HV-VO双联泵

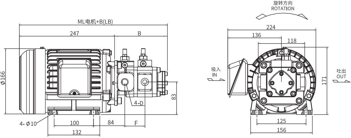
2HV-VO双联马达油泵

  是同轴串联的两台油泵,结构紧凑,安装时不受空间的限制,而且成本低,电机与泵体容易分解,维修简便。采用双油封设计把漏油降到最小,可调节压力,使电机负荷降到最小。密封圈采用含氟材质时,180°C的高温上也可使用,油泵排量可根据实际使用需求进行组合。适合于油及燃油的输送,机床及各种产业机械的润滑。

定制咨询 0755-89580981