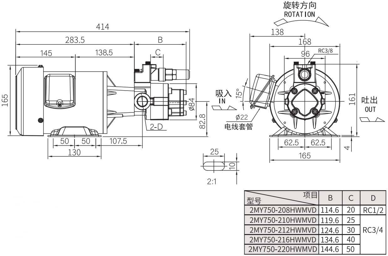
1.铁壳马达油泵型是低噪音结构的泵,外观设计紧凑,且分解电机于泵体容易。
2.由于装有泄压阀可减少电机及泵的负荷,安全使用。
3.设计为高压冷却液专用,适用于机床,MCT及各种机械制造行业。
特点:
1.小、中流量泵(12.0-30.0L/min)。
2.可安装内部溢流阀,外部溢流阀。
3.中吐出压。
4.用途:输送切削液。
5.液体温度:-5-80℃(有高温用特殊部件)。
6.铁壳马达油泵型是低噪音结构的泵,外观设计紧凑,且分解电机于泵体容易。
7.由于装有泄压阀可减少电机及泵的负荷,安全使用。
8.设计为高压冷却液专用,适用于机床,MCT及各种机械制造行业。






