您好,欢迎访问深圳市锦通顺精密机械有限公司

油泵 显动力之美

18923717049



首页 > 产品中心 > 小排量 > 1A立式铁壳马达油泵 > 1A立式马达油泵
  • 1A立式马达油泵
  • 1A立式马达油泵
  • 1A立式马达油泵
  • top1A立式电机
  • top1A立式电机-3
  • top1A立式电机-2

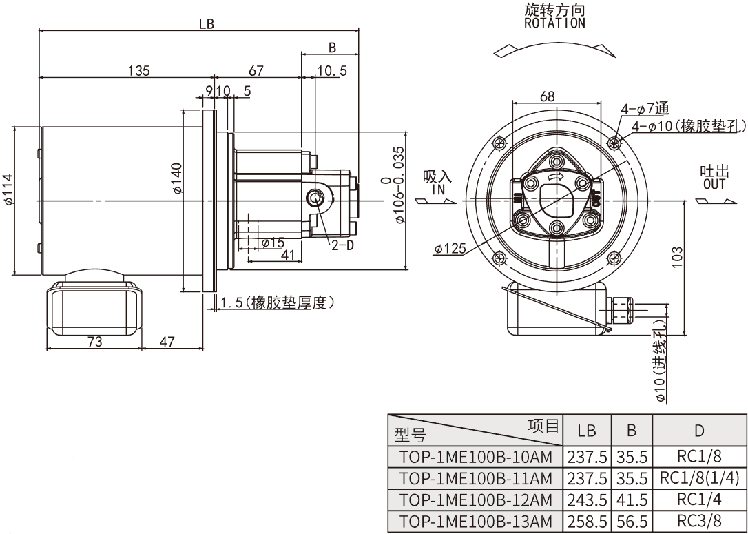
1A立式马达油泵

1.该油泵是将电机部分和泵体部分紧凑的组合在一起的设计,所以很少受安装空间的限制且电机部分和泵体的拆卸与组装都非常便于维修。

2.可选调压阀。

3.用途:输送润滑油、操作油

定制咨询 0755-89580981

     特点:

      1.小型、轻量。

      2.小吐出量(1.2-3.7L/min)。

      3.低吐出压。

      4.可安装内部溢流阀。

      5.液体温度:-5-80℃(有高温用特殊部件)。