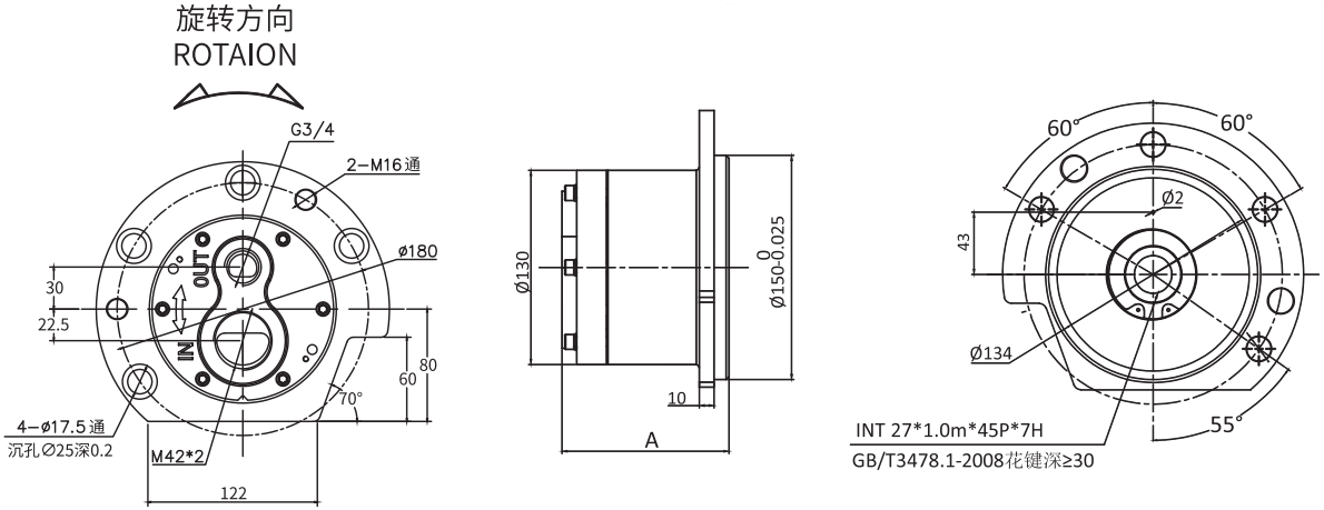
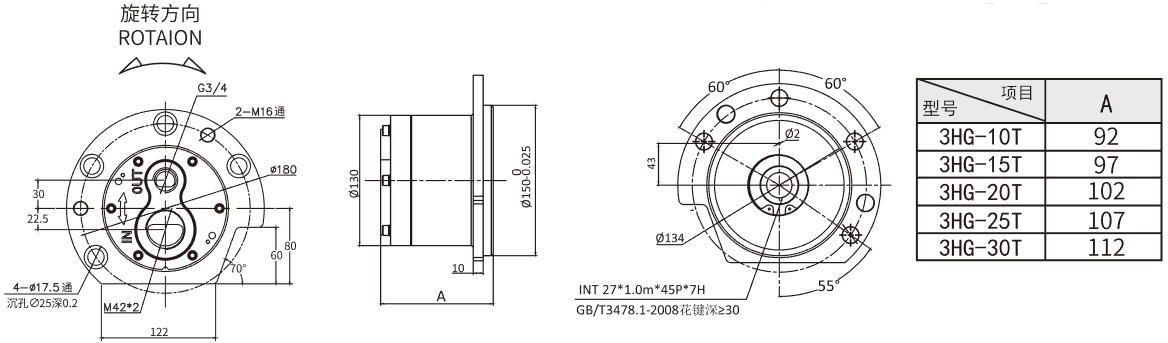
1.不管是右左旋转,都能保持油的吸入口吐出口方向不变。
2.中流量泵(13.0-39.0L/min);低吐出压。
3.用途:输送操作油,润滑油;液体温度:-5-80℃
4.该结构简单,自吸性强,输油平稳,噪音低,具有良好的高转速特性适用于润滑系统中的低压连续润滑。
5.特点是双向摆线泵的设计必须确保无论是正转还是反转,油的流动始终向一个方向。双向摆线泵的进油口和出油口保持不变,泵轴旋转向可改变。
6.在构造上,使用特殊的逆转密封线圈,让摆线转子的偏移位置随旋转方向进行180°旋转,从而发到无论旋转方向如何,都能使油按照一定方向流动的设计。
7.适用于一般正、逆转机械。如车床、旋臂钻床、制药机械、研磨机、各种冷冻机械、铣床等。



